1. 嘿嘿视频在线观看,嘿嘿嘿网站入口,嘿嘿连载污版,嘿嘿连载APP在线观看

      射阳嘿嘿视频在线观看探伤机制造有限公司-嘿嘿嘿网站入口丨嘿嘿连载污版丨嘿嘿连载APP在线观看 等产品均通过:ISO9001:2000 认证,符合JB/T8290-2011标准,产品一律实行三包,“诚信铸就品质,创新打造未来”是嘿嘿视频在线观看的经营理念,热线电话:0515-82354499。

      网站首页 >> 采购指南 >> 磁粉探伤中铁磁材料磁畴简介及温度影响

      磁粉探伤中铁磁材料磁畴简介及温度影响

      作者:嘿嘿视频在线观看探伤机制造有限公司 发表时间:2016/3/25 10:51:14

      嘿嘿嘿网站入口嘿嘿连载污版中铁磁材料的铁磁质中,相邻的铁原子中存在非常强的交换耦合作用,这个相互作用促使相邻原子中的电子磁矩平行排列起来,形成一个自发磁化达到饱和状态的微小区域,这些自发的微小区域,称为磁畴。一个典型的磁畴宽度约为10-3cm,体积约为10-9cm3,内部大约含有1014个磁性原子。

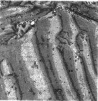
      若在磨光的铁磁质表面上撒上一层极细的铁粉,由于磁畴的边界处存在着不均匀的强磁场,它将铁粉吸引到强磁场的边界上去,用金相显微镜可以直接观察到铁粉沿着磁畴的边界聚集形成某种图形。例如,某铁磁性铁块表面磁畴聚集铁粉示意图如下图

      嘿嘿嘿网站入口中铁磁性材料磁粉成像 

      在没有外加磁场作用时,铁磁性材料内各磁畴的磁矩方向是相互抵消的,从而对外不显示磁性。

      嘿嘿连载污版中铁磁材料磁矩 

      当把铁磁性材料放到外加磁场中时,铁磁性材料内部磁畴就会受到外部磁场作用,从而导致磁畴磁矩转动,导致相邻磁畴的分界面(又称畴壁)发生位移。

      探伤机铁磁材料磁畴磁矩 

      当增强外加磁场到一定值时,铁磁性材料内部磁畴磁矩方向就会全部转向外加磁场方向,表示铁磁性材料被磁化,显示磁性,形成磁极N、S。

      探伤仪铁磁材料磁畴磁矩 

      当去掉外加磁场后,铁磁性材料内部磁畴磁矩方向出现局部改变,但仍保留一定的磁性,对外显示磁性。

      嘿嘿连载APP在线观看铁磁材料磁畴磁矩 

      需要注意的是高温会导致铁磁性材料内部磁畴的排列规则,使铁磁性材料产生的磁性减弱或消失,当温度上升到一定值后,铁磁性材料产生的磁性完全消失,从而表现出顺磁性,从而实现铁磁性材料的退磁,当铁磁性材料处于大于此温度值得状态时,铁磁性材料是无法实现被外加磁场磁化的。即使外加温度值下降,只要无外加磁场靠近,铁磁性材料依然不显示磁性。使铁磁性材料失去磁性的温度被称为居里温度或居里温度点。

      部分铁磁性材料的居里温度点:

      材    料

      居里温度点(℃)

      769

      365

      1150

      铁,硅5%

      720

      铁,铬10%

      740

      铁,锰4%

      715

      铁,钒5%

      815

      嘿嘿视频在线观看探伤机版权所有,转载请注明出处,http://www.yudiancontrol.com。

      网站地图